OEM/ODM China Slewing Bearing With Internal Gear - 113 series slewing ring with internal tooth used for high precision machinery – Wanda
OEM/ODM China Slewing Bearing With Internal Gear - 113 series slewing ring with internal tooth used for high precision machinery – Wanda Detail:
The slewing bearing is a special component that integrates rotation and transmission, reduces structural space and reduces equipment weight. In particular, radar turntables and armored rescue vehicle turntables require high-precision, low-noise, high-impact load, and stable rotation turntable equipment, all of which require dedicated rotation support.
The single-row cross roller swivel ring also consists of two inner and outer rings with a compact structure, high manufacturing precision, low weight and little assembly clearance. The inner ring and the outer ring are connected by rollers, the rollers are arranged in a 1: 1 cross, which can simultaneously absorb axial force, tilting moment and larger radial force.
Also it is widely used in lifting and transportation, military products, medical equipment, bucket wheel machines, park amusement machines, filling machines etc, which play a very important role in construction machinery products.
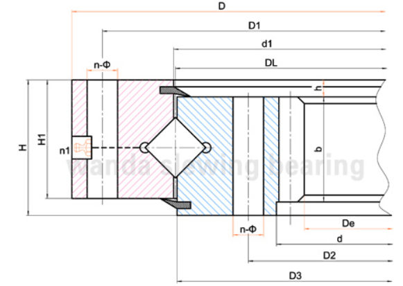
Our slew bearing 113 series are single-row cross roller slewing bearings with teeth on the inner ring, you can use a pinion with it to bring the slewing ring rotary.The following table is the specification for different models:

| No | Internal gear DL mm |
Dimensions | Mounting Dimension | Structural Dimension | Gear Data | Gear circumferential force | Weight kg |
||||||||||||||||
| D mm |
d mm |
H mm |
D1 mm |
D2 mm |
n | mm | dm mm |
L mm |
n1 mm |
D3 mm |
d1 mm |
H1 mm |
h mm |
b mm |
x | m mm |
De mm |
z | Normalizing Z 104N |
Quenching T 104N |
|||
| 1 | 113.25.500 | 602 | 398 | 75 | 566 | 434 | 20 | 18 | M16 | 32 | 4 | 498 | 502 | 65 | 10 | 60 | 0.5 | 5 | 367 | 74 | 3.7 | 5.2 | 80 |
| 114.25.500 | 6 | 368.4 | 62 | 4.5 | 6.2 | ||||||||||||||||||
| 2 | 113.25.560 | 662 | 458 | 75 | 626 | 494 | 20 | 18 | M16 | 32 | 4 | 558 | 562 | 65 | 10 | 60 | 0.5 | 5 | 427 | 86 | 3.7 | 5.2 | 90 |
| 114.25.560 | 6 | 428.4 | 72 | 4.5 | 6.2 | ||||||||||||||||||
| 3 | 113.25.630 | 732 | 528 | 75 | 696 | 564 | 24 | 18 | M16 | 32 | 4 | 628 | 632 | 65 | 10 | 60 | 0.5 | 6 | 494.4 | 83 | 4.5 | 6.2 | 100 |
| 114.25.630 | 8 | 491.2 | 62 | 6 | 8.3 | ||||||||||||||||||
| 4 | 113.25.710 | 812 | 608 | 75 | 776 | 644 | 24 | 18 | M16 | 32 | 4 | 708 | 712 | 65 | 10 | 60 | 0.5 | 6 | 572.4 | 96 | 4.5 | 6.2 | 110 |
| 114.25.710 | 8 | 571.2 | 72 | 6 | 8.3 | ||||||||||||||||||
| 5 | 113.28.800 | 922 | 678 | 82 | 878 | 722 | 30 | 22 | M20 | 40 | 6 | 798 | 802 | 72 | 10 | 65 | 0.5 | 8 | 635.2 | 80 | 6.5 | 9.1 | 170 |
| 114.28.800 | 10 | 634 | 64 | 8.1 | 11.4 | ||||||||||||||||||
| 6 | 113.28.900 | 1022 | 778 | 82 | 978 | 822 | 30 | 22 | M20 | 40 | 6 | 898 | 902 | 72 | 10 | 65 | 0.5 | 8 | 739.2 | 93 | 6.5 | 9.1 | 190 |
| 114.28.900 | 10 | 734 | 74 | 8.1 | 11.4 | ||||||||||||||||||
| 7 | 113.28.1000 | 1122 | 878 | 82 | 1078 | 922 | 36 | 22 | M20 | 40 | 6 | 998 | 1002 | 72 | 10 | 65 | 0.5 | 10 | 824 | 83 | 8.1 | 11.4 | 210 |
| 114.28.1000 | 12 | 820.8 | 69 | 9.7 | 13.6 | ||||||||||||||||||
| 8 | 113.28.1120 | 1242 | 998 | 82 | 1198 | 1042 | 36 | 22 | M20 | 40 | 6 | 1118 | 1122 | 72 | 10 | 65 | 0.5 | 10 | 944 | 95 | 8.1 | 11.4 | 230 |
| 114.28.1120 | 12 | 940.8 | 79 | 9.7 | 13.6 | ||||||||||||||||||
| 9 | 113.32.1250 | 1390 | 1110 | 91 | 1337 | 1163 | 40 | 26 | M24 | 48 | 5 | 1248 | 1252 | 81 | 10 | 75 | 0.5 | 12 | 1048.8 | 88 | 11.3 | 15.7 | 350 |
| 114.32.1250 | 14 | 1041.6 | 75 | 13.2 | 18.2 | ||||||||||||||||||
| 10 | 113.32.1400 | 1540 | 1260 | 91 | 1487 | 1313 | 40 | 26 | M24 | 48 | 5 | 1398 | 1402 | 81 | 10 | 75 | 0.5 | 12 | 1192.8 | 100 | 11.3 | 15.7 | 400 |
| 114.32.1400 | 14 | 1195.6 | 86 | 13.2 | 18.2 | ||||||||||||||||||
| 11 | 113.32.1600 | 1740 | 1460 | 91 | 1687 | 1513 | 45 | 26 | M24 | 48 | 5 | 1598 | 1602 | 81 | 10 | 75 | 0.5 | 14 | 1391.6 | 100 | 13.2 | 18.2 | 440 |
| 114.32.1600 | 16 | 1382.4 | 87 | 15.1 | 22.4 | ||||||||||||||||||
| 12 | 113.32.1800 | 1940 | 1660 | 91 | 1887 | 1713 | 45 | 26 | M24 | 48 | 5 | 1798 | 1802 | 81 | 10 | 75 | 0.5 | 14 | 1573.6 | 113 | 13.2 | 18.2 | 500 |
| 114.32.1800 | 16 | 1574.4 | 99 | 15.1 | 22.4 | ||||||||||||||||||
| 13 | 113.40.2000 | 2178 | 1825 | 112 | 2110 | 1891 | 48 | 33 | M30 | 60 | 8 | 1997 | 2003 | 100 | 12 | 90 | 0.5 | 16 | 1734.4 | 109 | 18.1 | 25 | 900 |
| 114.40.2000 | 18 | 1735.2 | 97 | 20.3 | 28.1 | ||||||||||||||||||
| 14 | 113.40.2240 | 2418 | 2065 | 112 | 2350 | 2131 | 48 | 33 | M30 | 60 | 8 | 2237 | 2243 | 100 | 12 | 90 | 0.5 | 16 | 1990.4 | 125 | 18.1 | 25 | 1000 |
| 114.40.2240 | 18 | 1987.2 | 111 | 20.3 | 28.1 | ||||||||||||||||||
| 15 | 113.40.2500 | 2678 | 2325 | 112 | 2610 | 2391 | 56 | 33 | M30 | 60 | 8 | 2497 | 2503 | 100 | 12 | 90 | 0.5 | 18 | 2239.2 | 125 | 20.3 | 28.1 | 1100 |
| 114.40.2500 | 20 | 2228 | 112 | 22.6 | 31.3 | ||||||||||||||||||
| 16 | 113.40.2800 | 2978 | 2625 | 112 | 2910 | 2691 | 56 | 33 | M30 | 60 | 8 | 2797 | 2803 | 100 | 12 | 90 | 0.5 | 18 | 2527.2 | 141 | 20.3 | 28.1 | 1250 |
| 114.40.2800 | 20 | 2528 | 127 | 22.6 | 31.3 | ||||||||||||||||||
| 17 | 113.50.3150 | 3376 | 2922 | 134 | 3286 | 3014 | 56 | 45 | M42 | 84 | 8 | 3147 | 3153 | 122 | 12 | 110 | 0.5 | 20 | 2828 | 142 | 27.6 | 38.3 | 2150 |
| 114.50.3150 | 22 | 2824.8 | 129 | 30.4 | 42.1 | ||||||||||||||||||
| 18 | 113.50.3550 | 3776 | 3322 | 134 | 3686 | 3414 | 56 | 45 | M42 | 84 | 8 | 3547 | 3553 | 122 | 12 | 110 | 0.5 | 20 | 3228 | 162 | 30.4 | 38.3 | 2470 |
| 114.50.3550 | 22 | 3220.8 | 147 | 30.4 | 42.1 | ||||||||||||||||||
| 19 | 113.50.4000 | 4226 | 3772 | 134 | 4136 | 3864 | 60 | 45 | M42 | 84 | 10 | 3997 | 4003 | 122 | 12 | 110 | 0.5 | 22 | 3660.8 | 167 | 30.4 | 42.1 | 2800 |
| 114.50.4000 | 25 | 3660 | 147 | 34.5 | 47.8 | ||||||||||||||||||
| 20 | 113.50.4500 | 4726 | 4272 | 134 | 4636 | 4364 | 60 | 45 | M42 | 84 | 10 | 4497 | 4503 | 122 | 12 | 110 | 0.5 | 22 | 4166.8 | 190 | 30.4 | 42.1 | 3100 |
| 114.50.4500 | 25 | 4160 | 167 | 34.5 | 47.8 | ||||||||||||||||||
Product detail pictures:
Related Product Guide:
Car parking system used slewing bearing
Our mission is usually to turn into an innovative provider of high-tech digital and communication devices by furnishing benefit added design and style, world-class manufacturing, and service capabilities for OEM/ODM China Slewing Bearing With Internal Gear - 113 series slewing ring with internal tooth used for high precision machinery – Wanda , The product will supply to all over the world, such as: Porto, Tunisia, Israel, With the goal of "zero defect". To care for the environment, and social returns, care employee social responsibility as own duty. We welcome friends from all over the world to visit and guide us so that we can achieve the win-win goal together.
1. Our manufacturing standard is according to machinery standard JB/T2300-2011, we also has been found the efficient Quality Management Systems(QMS) of ISO 9001:2015 and GB/T19001-2008.
2. We devote ourselves to the R &D of customized slewing bearing with high precision,special purpose and requirements.
3. With abundant raw materials and high production efficiency, the company can supply products to customers as quickly as possible and shorten the time for customers to wait for products.
4. Our internal quality control includes first inspection, mutual inspection, in-process quality control and sampling inspection to ensure product quality. The company has complete testing equipment and advanced testing method.
5. Strong after-sales service team, timely solve customer problems, to provide customers with a variety of services.
Sales manager is very enthusiastic and professional, gave us a great concessions and product quality is very good,thank you very much!





